Familles de produits
Séléctionner une famille pour affiner votre recherche

Nos produits et composants hydrauliques

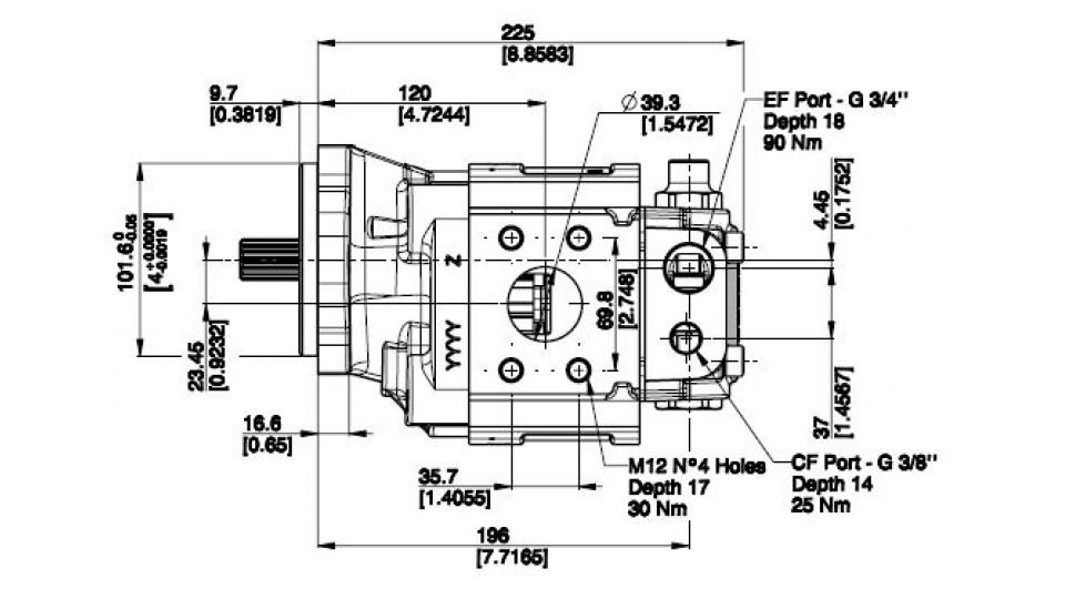
Pompe hydraulique - Casappa - KP30 | KP30.*D0 04S3 LED/EB N

Catégorie du produit ou du composant : composant hydraulique / Pompe hydraulique - Casappa - KP30
Sens de rotation Droites (DO), Gauches (S0) ,Bidirectionnelles (B0 et R0)
Cylindrées disponibles(cc) 22 / 27 /34 / 38 / 43 / 51 / 61 / 73 / 82 
Fixation S3 - SAE B
Arbre 04 - 13 Dents 16/32 DP
Pression maxi continue  180 à 280 Bars (selon cylindrée)
Vitesse Maxi (en charge) 2500 à 3000 Trs/min (Selon cylindrées)
Vitesse Mini 350 Trs/min
   
Température mini / maxi -25°C / + 80°C 
Codification type KP30.** *0 04S3 LED(EF)/EB(ED) N
En savoir plus
En stock Livrable chez vous demain

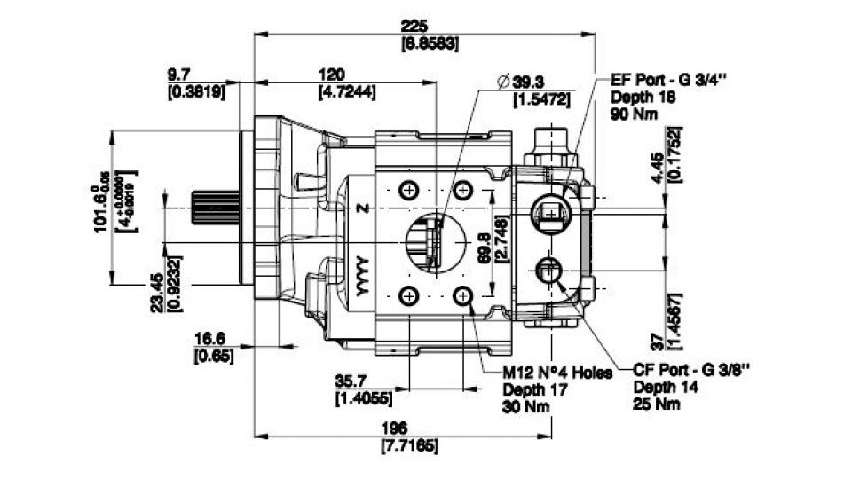
Pompe hydraulique - Casappa - KP30 | KP30.*D0 83E3 LED/EB N

Catégorie du produit ou du composant : composant hydraulique / Pompe hydraulique - Casappa - KP30
Sens de rotation Droites (DO), Gauches (S0) ,Bidirectionnelles (B0 et R0)
Cylindrées disponibles(cc) 22 / 27 /34 / 38 / 43 / 51 / 61 / 73 / 82 
Fixation E3 - Standard Italien / Europeen
Arbre 83 - Cone 1/8 G3 clavette 4
Pression maxi continue  180 à 280 Bars (selon cylindrée)
Vitesse Maxi (en charge) 2500 à 3000 Trs/min (Selon cylindrées)
Vitesse Mini 350 Trs/min
   
Température mini / maxi -25°C / + 80°C 
Codification type KP30.** *0 83E3 LED(EF)/EB(ED) N
En savoir plus
En stock Livrable chez vous demain

Pompe hydraulique - Casappa - KP30 | KP30.43S0 04S3 LME/GC-GE/B...- 03580501

Catégorie du produit ou du composant : composant hydraulique / Pompe hydraulique - Casappa - KP30
Sens de rotation Gauche
Cylindrée pompe 43cc
Pression maxi continue 250 Bars
Vitesse Maxi 30000 Trs/min
Vitesse Mini 350 Trs/min
Poids 20 Kg
Température mini / maxi -25°C / + 80°C
Codification (ancienne reference) 03580500
Codification 03580501 (269378)
En savoir plus
En stock Livrable chez vous demain

Pompe hydraulique - Casappa - KP30 | KP30.22D0 A8K9 LGF/GE N KSC - 03569946

Catégorie du produit ou du composant : composant hydraulique / Pompe hydraulique - Casappa - KP30
Sens de rotation Doite
Cylindrée  22cc
   
Pression maxi continue 280 Bars
Pression maxi pointe 310 Bars
Vitesse Maxi 3000 Trs/min
Vitesse Mini 350 Trs/min
Poids 15.9 Kg
Température mini / maxi -25°C / + 80°C
Codification  03569946
En savoir plus
En stock Livrable chez vous demain

Pompe hydraulique - Casappa - KP30 | KP30.61-67/PLP20.16 EL D VGR01 - 79919096

Catégorie du produit ou du composant : composant hydraulique / Pompe hydraulique - Casappa - KP30
Sens de rotation Doite
Cylindrée pompe 1 61cc
Cylindrée pompe 2 16cc
Pression maxi continue pompe 1 190 Bars
Pression maxi continue pompe 2 250 Bars
Vitesse Maxi 2500 Trs/min
Vitesse Mini 350 Trs/min
Poids 19.8 Kg
Température mini / maxi -25°C / + 80°C
Codification  79919096
En savoir plus
En stock Livrable chez vous demain

Pompe hydraulique - Casappa - KP30 | KP30.61 LEF/ED-81/PLP20.16 LEA N7 D FS - 79938391

Catégorie du produit ou du composant : composant hydraulique / Pompe hydraulique - Casappa - KP30
Sens de rotation Doite
Cylindrée pompe 1 61cc
Cylindrée pompe 2 16cc
Pression maxi continue pompe 1 190 Bars
Pression maxi continue pompe 2 250 Bars
Vitesse Maxi 2500 Trs/min
Vitesse Mini 350 Trs/min
Poids 20 Kg
Température mini / maxi -25°C / + 80°C
Codification  79919096
En savoir plus
En stock Livrable chez vous demain