Pompe hydraulique - Casappa - PLP20 | PLP20.20-07-L**/GD/20.20-LBM/GD-S7 S/FS EL V AV

PLP20.20-07 66603067 Photo coté aspiration
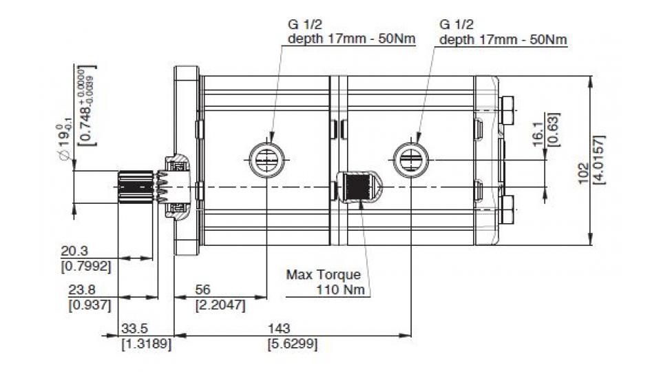
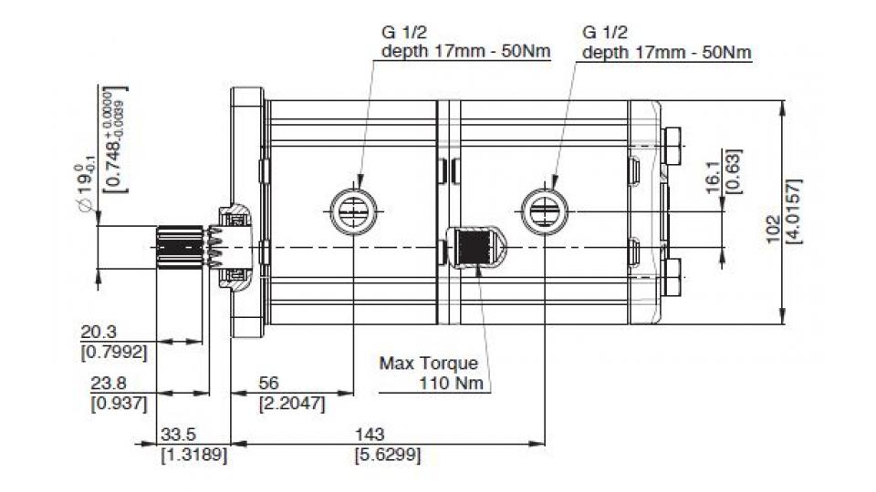
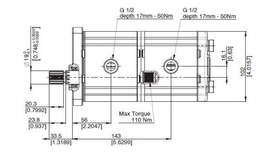
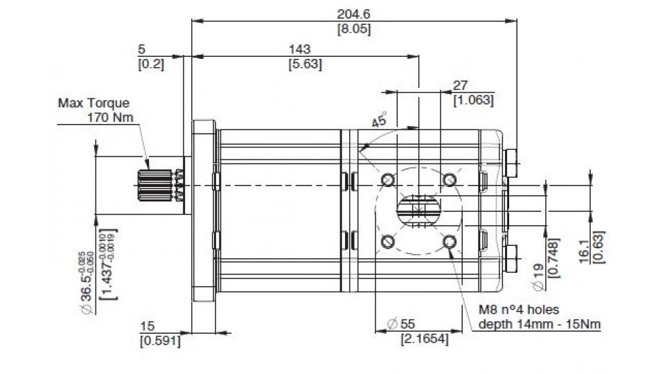
PLP20.20-07 66603067 Plan coté pression
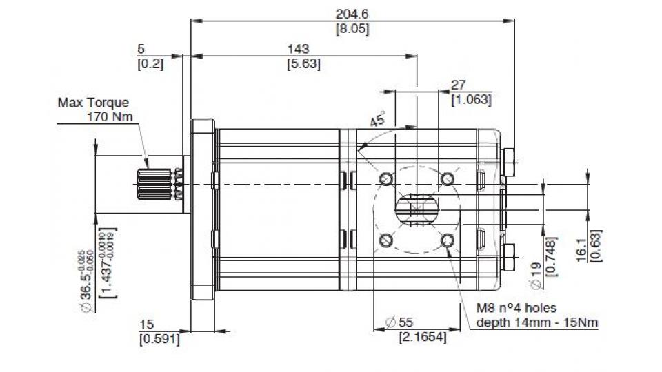
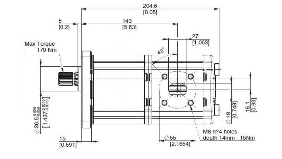
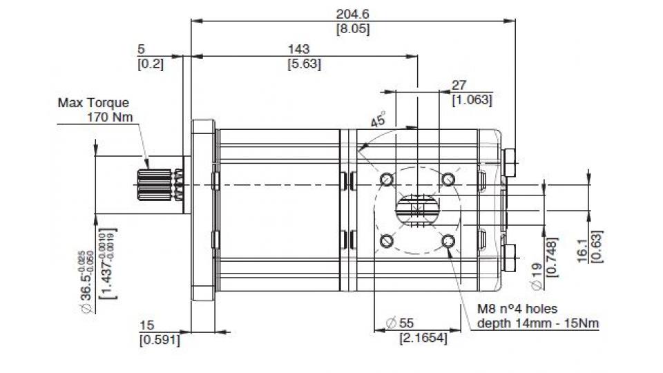
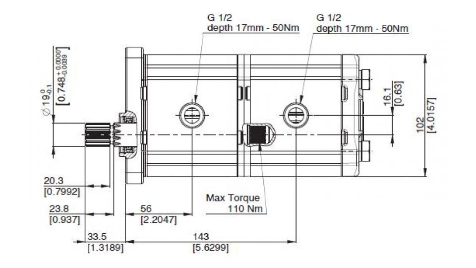
PLP20.20-07 66603067 Plan coté aspiration
PLP20.20-07 66603067 Photo coté pression

PLP20.20-07-L**/GD/20.20-LBM/GD-S7 S/FS EL V AV
Catégorie du produit ou du composant : composant hydraulique / Pompe hydraulique - Casappa - PLP20

Sens de rotation Gauche
Cylindrée pompe 1 21.1cc
Cylindrée pompe 2 21.1cc
Pression maxi continue pompe 1 200 Bars
Pressoin maxi continue pompe 2 200 Bars
Vitesse Maxi 3000 Trs/min
Vitesse Mini 500 Trs/min
Poids 5.1 Kg
Température mini / maxi -25°C / + 110°C
Codification 66603067 071672
Codification 66603050 049615

 

En stock Livrable chez vous demain
Nous contacter pour ce produit
Présentation

Catégorie du produit ou du composant : composant hydraulique, Pompe hydraulique double Casappa Groupe 2 corps aluminium serie POLARIS PLP20

Pompes disponibles sous les codifications suivante :

PLP20.20-07-L**/GD/20.20-LBM/GD-S7 S/FS EL V AV, code 66603050 049615, code 66603067 071672

Montée sur MERLO MULTIFARMER

 

Documentation
FT PLP20 07E2.pdf
PL-03-T-A.pdf
Nous contacter
Informations
Vous souhaitez nous adresser un message ?

Remplissez le formulaire en nous indiquant son objet, nous vous répondrons dans les plus brefs délais !
En savoir plus sur vos données personnelles, cliquer ici.
MHP,

Les informations recueillies font l’objet d’un traitement informatique destiné à vous offrir les meilleurs services, notamment dans le cadre du suivi client entreprise.

Les destinataires des données sont les membres de notre équipe commerciale.

Conformément à la loi « informatique et libertés » du 6 janvier 1978 modifiée en 2004, vous bénéficiez d’un droit d’accès et de rectification aux informations qui vous concernent, que vous pouvez exercer en vous adressant au service commercial à l'adresse suivante contact@mhp.fr

Vous pouvez également, pour des motifs légitimes, vous opposer au traitement des données vous concernant.